The older Klon layout was starting to annoy me for a few reasons so I decided to re-do it and start a new thread as this one is obviously currently unverified, and so all discussion here can relate to this layout.
This is a couple of rows smaller and so should fit more easily into a 1590B, and I have included the bass pot mod from the outset so if that's something you don't want to include you can just omit the 150n cap and bass pot itself.
Note that IC3 is rotated 180 degrees from the usual orientation.
Marketing spiel:
"..... Available soon.
No, honestly!"
And a extra modified version which uses a fat switch instead of an additional bass pot, and also includes a Soft Clipping switch to allow you to add your favourite clipping diodes in the feedback loop of the gain stage. This switch is a DPDT on/off/on and will allow you to use two back to back pairs, with a centre off position which will be the standard Klon mode. The main germanium shunt diodes could also be removed from the board and put on a switch allowing you to remove the hard clipping completely, and/or maybe adding the option of a different type of diode in one position, and the stock germaniums in the other, to give you extra flavours and maximum versatility.
For another modification consider using two 100K pots for "Gain" and "Clean" instead of the dual linear pot. This will give you maximum versatility by allowing you to control both sides of the control independently, and people have noted having good results doing so, giving them additional tones that are impossible to get with the stock Klon configuration.
These layouts are based on Martin Chittum's April 2009 updated schematic (correction to treble resistors included - 4th July 2014), with the only alteration being increased 100u filter caps on both 9V and 18V sides. The bass pot addition is as per Madbean's mod suggestion.


Can I also use this one for IC3?
ReplyDeletehttp://www.taydaelectronics.com/icl7660cpaz-icl7660-cmos-voltage-converter-ic.html
in my opinion, no. the 7660 MUST have an "S" after it like a ICL7660SCPAZ, otherwise it'll have a high pitched whine.
DeleteFrom Tayda you can get MAX1044. I've used it in a couple of klones.
DeleteMouser has the 7660S and I just used it for a klon build - http://www.mouser.com/ProductDetail/Intersil/ICL7660SCPA/?qs=sGAEpiMZZMtitjHzVIkrqV%252bHSB1sTPSiEqkubgSAyfE%3d55.
DeleteAlso someone reported on the original page that you can use a "no S" by removing pin 1 from the socket and soldering it to ground
This comment has been removed by the author.
DeleteYou can get the ICL7660 "S" from mklec, http://mklec.com/components/integrated-circuit/miscellaneous-ics/intersil_ICL7660_cmos_voltage_converter. I am the owner and can verify these are the "s" models and work great in the Klon builds.
DeleteS&H costs outside USA are a bit in the crazy side,
DeleteDon't you think that chargin $18 for shipping 20 electro caps is a bit insane?
J.
Not if they are sending it to you overnight with UPS or DHL :) As a standard postal service - then yes.
Delete+m
This isn't the Bondi Effects Sick-As Overdrive is it? I believe it has an active EQ section and based on my limited knowledge, don't you need some sort of IC chip circuit to have an active EQ section? I'm just curious.
ReplyDeleteThe sick as od pedal is not a klone, AFAIK
DeleteWhere does Bass 1 go? To ground?
ReplyDeleteIt's just a variable resistor and so not required. You can solder it to lug 2 if you want but you don't need to.
DeleteI just see a problem in this layout: the 9v link that spans 24 rows, and goes under the three IC's. Not sure if it's a good idea or we'll have to find another solution, as isolated wire is too thick to be under the ic sockets.
ReplyDeleteWhat do you think?
I'd just use the core of a solid cable without the insulation. I can't see why it would be a problem, there would still be a lot less bare copper with 9V on it with only a single link and two isolated rows of the pedal, than in the last layout which had two links with a combined length longer than the single link here, plus two isolated rows and one complete row in the middle of the board.
DeleteIf you look at some PCBs there are positive rails all round the board, so I don't think this is a concern at all.
I recently got to check out my friend's original Klon and I was very impressed with the sound. The original adds no noise at all in my friends rig.
ReplyDeleteCaps were all standard stuff that you can find easily. The electros are the ones with the "M" symbol on them. Film look like Panasonic
There's a lot of filtering in it at various points, but some of it just doesn't seem worthwhile to me. A 1u cap on the 18V output of the charge pump seems ridiculously low, I just can't see it doing anything. In this layout I increased the main 9V filter cap to 100u and increased the 1u cap on 18V to 100u too.
DeleteAlthough I wouldn't expect the Klon to suffer much with noise anyway as most people use it at very low gain settings.
On the original, it doesn't seem to matter where the controls are set, there's just no noise. It's a really nice pedal actually. I wanted to hate it but it's the best overdrive I've heard yet
ReplyDeleteI think if I build one I'd like it to be pretty exact to the original
Well if you want this exact, omit the bass pot and 150n cap, swap the 100u cap next to IC2 to a 1u, and swap the 100u cap at the bottom right to 47u. Everything else is as per the original.
DeleteThanks for the info. I think I will do just that. Should the 1u be electrolytic or does it not matter?
ReplyDeleteYes it was electrolytic. All the 1u caps in this were with the exception of the one at the junction of the 1K5 and 15K resistors which was tantalum.
DeleteBut I wouldn't worry about replacing leaky electrolytics with polyester caps. They will always be an upgrade no matter what Bill used.
My build isn't working, I have no sound (buffered bypass & effect engaged)
ReplyDeleteI checked all the usual suspects (trace cuts, bridges, ICs in place with IC3 upside down, component placement, wiring...)
Of course I can have missed something, so maybe it's better to wait for someone else's verification before going back to the layout
Post the IC voltages you're getting and a front and back pic if you can
DeleteWall 9.65V
DeleteIC1
3.7
3.7
1.05
0
3.6
3.7
3.7
9.65
IC2
6.75
3.7
1.05
-9.5
3.65
3.7
0.65
18.8
IC3
9.65
4.8
0
-4.75
-9.5
5.7
5.15
9.65
And 2 pics :
http://nsa34.casimages.com/img/2014/05/30/140530050906611857.jpg
http://nsa34.casimages.com/img/2014/05/30/14053005091225918.jpg
Ha ha, that looks so cool :o)
DeleteWell the charge pump is obviously working ok because you're getting -9V and 18V at the correct places. So looking at the pin voltages that look dodgy to me:
Looking at the schematic:
IC1 pin 3
Connections to this pin should be a 100n cap and 1m resistor
IC2 pin 1
Connections should be 820p cap, 392K, 1K8 and 100K resistor
IC2 pin 3
Should connect to vref
IC2 pin 7
Connections should be 100K, 4K7 and 4u7 cap
So as a sanity check on the layout that all seems as it should be. The one that stands out most there is the 1.05V on pin 3 of IC2 which connects directly to the reference voltage. That should be exactly half the supply which is provided by the 2 x 27K resistors acting as a voltage divider and connecting to supply and ground.
So that is the thing to try to work out first. Measure the voltage at the point where the two 27K resistors meet to the just below IC1 (you can measure the bottom lead of the top 27K resistor, or top lead of the bottom). Tell me what voltage you have at that point.
Hi!
DeleteMy results are way better than Alltrax ones, but still no perfect:
- Buffered bypass: Sounds perfect
- Overdive: Tone and volume pots work fine BUT there's a problem with the Gain pot: Some wire is not ok. It works somehow "reversed" (gain full ccw and clean full cw). I say "somehow" because there's not a perfect progression, as it gets not the full gain of a Klone, and it gets not the maximun gain at the end of the sweep.
Besides, there's a great output drop, so we have to check, as it doesn't work still as it should.
I have not the voltage problem of Alltrax, my voltages are ok, and I get 4.5v on IC2 pin 3, same as pin 5 (they're connected)
Any suggestion, mateys?
I've just checked and the gain pot connections definitely match the first layout. Did you attach both Gain2-3 and Gain1-2 to vref?
DeleteWait a minute, I think that I've found the problem, just need the iron to get hot :P
DeleteWell, you can tag it :P
DeleteJust a damned tiny micro bridge. And you're right, the gain pot is wired OK, so, a new Klone in the family :P
I've not used the Bass Mod, but is a five minutes mod if someone's interested, and I'm sure it would work with no problem.
Regards!
Awesome, nice one matey :o)
DeleteNow do you reckon you can get it in a 1590B? :o)
DeleteI can tell you that for me it gets harder to put a 21 columns wide board in a 1590B than getting a 21 columnsx13 rows in a 1590A (and it's not a joke).
DeleteAnd I've spent my two last 68nf caps, have to order some 27, 68 and 390nf ones right now!
Hi Mark.
ReplyDeleteThanks for the post. You've been busy this month.
This will be my 4th Klon I think. All great.
Just to be clear. I can use a TC1044SCPA in place of the 7660. Correct?
As with the Maxon 820 I will use seperate 100k (or 250) pots for the dual gang.
Simply hooked up 1,2,3 respectively to each pot. You're the best man!!
dale
Yes no problem with that IC
DeleteAnd my voltages for if they can be of help (battery measuring 8.62v):
ReplyDeleteIC 1
4.43
4.43
1.11
0
4.31
4.41
4.41
8.22
IC2
4.39
4.41
4.36
-8.28
4.36
4.41
4.42
16.60
IC3
8.62
4.25
0
-4.18
-8.27
4.63
4.09
8.62
I'm afraid that Alltrax build problem is around IC2, his voltages are a bit rare.
J.
Thanks mate. Someone with the dreaded 1.1V reading on IC1 pin3, but it works! A few people have had that reading but had problems with theirs.
DeleteDon't know why, but getting a low voltage on input pin 3 of the dual opamp, is something that I'm very used, as it happens many times, in different builds.
DeleteBut the fact, is that the rest of voltages is correct and the effect works like a charm.... It did upset me the first times it happened, but now I don't give a fuck about this reading :P
J.
Yes it's very weird. I mean it's a 1M resistor and so you would expect some voltage drop from vref and so maybe I just worry about nothing. But it still looks lower than you would expect after seeing the voltage you get from other effects with a 1M resistor from non inverting input to vref.
DeleteBut yes it works so balls to it :o)
Do you think it's ok in terms of noise too?
Yeah, the noise is very similar to the original Klon vero, and the King Slayer.
DeleteWhat I've just checked is that with IC1 removed, the voltage on pin 3 of the socket is 3,12v, but as soon as you put the ic in place it drops to 1.11v, funny shit :P
Hmm so if the IC is pulling it down a bit I wonder if they all do that. Have you got a different one you can throw in like the NE5532 or JRC4558? Just wondering if that might happen irrespective of the IC, or whether it's a TL072 thing which may account for why some people get readings there over 3V.
DeleteI've built it with 4558, is just that I had right here a bag with 80 pieces and didn't want to chase the TL072's, but i'm going to take a look and see what happens
DeleteNo change, just tried with TL072, and same behaviour, drops from 4.37 volts on vref side of the 1M resistor to 3,1v if the ic is removed, and to 1.12v when ic is on the socket.
DeleteThanks for checking buddy. I'd love to know what was going on there, but at the end of the day i'm not an electronics expert so maybe it's perfectly normal
DeleteI've been doing some checks today dealing with the low voltage on IC1 pin 3. Well, the "problem" is the 1M resistor from vr to pin 3 that biases the imput of this effect.
DeleteThere are not many variables to check, as the vr is correctly set with the 2x27k divider, as you can check on IC2 pin 3 and 5.
So i replaced the 1M resistor with a 1M pot and started checking voltages: with 1M the results were the same, ~1,2v on pin 3. To get to 3,20v, the final measurement was 183k.
I've checked too that the voltage on the socket lowers as you insert the IC, and that different opamps and models, get a variation of about 0,3 volts. For example: 4558 and tl072 did measure 1,1 volts, LM1458 did get 1.4v.
Taking in mind that the only purpose of the 1M resistor is to bias IC1 pin 3, and the measurements have to be something like3-3.80v, i finally replaced the 1M with a 180k resistor.
J.
Excellent, thanks for the info Javi. Do you notice any difference at all in the sound? Altering that resistor will also reduce the input impedance and so it may not be quite as bright.
DeleteI have not noticed any difference with the new resistor.
DeleteAnyway, there's still a 1M pull down resistor from imput to ground, that is the one that sets the impedance of the inputisn't is? By the way, I cannot see this resistor on the schematics, maybe I should try taking it off the circuit.
J.
The pulldown resistor sets the input impedance for the circuit, but the bias resistor sets the impedance for the first amplifying stage. But it isn't as simple as that and I'm not sure whether you would get an adverse affect anyway because the TL072 has a JFET input stage which has a very high inherent input impedance. So reducing the 1M simply may not matter, which certainly seems to be the case by what you've heard in yours.
DeleteRight, and taking this in mind and an answer on Brian's forum about the Kingslayer:
Delete"IC1 pin 3 measures low because the meter creates a voltage divider with R2 and pulls the voltage down. "
I think that we have the answer to the mistery :P I'll put again the 1M resistor, even thought I have noticed no change on effect's tone.
J.
It doesn't concern me too much and I'd do what you're doing and just keep the 1M in there anyway. It's more the fact that I've seen it at over 3V and so it's funny how sometimes it seems to drop the voltage further.
DeleteOk so obviously there is something wrong with my build, I will check that in a couple of days when I'll be back home.
ReplyDeleteThanks guys
Ok, I'm almost there, but not quite.
ReplyDeleteFirst, I noticed 2 bad trace cuts (which i'm really not proud of...)
So now my voltages look good I guess : wall 9.65v
IC1
4.88
4.88
1.2
0
4.74
4.88
4.88
9.65
IC2
4.80
4.88
4.80
-9.52
4.80
4.88
4.9
18.83
IC3
9.64
4.85
0
-4.72
-9.52
5.71
5.16
9.64
In buffered bypass no problem
Effect engaged, I have something wrong with the gain pot. Almost no drive, louder and brighter CCW, fatter and less output CCW
Volume and tone are behaving as they should.
At that point I don't know what I missed, here is a pic that shows how my gain pot is wired
fatter and less output CW I mean
DeleteI ordered all of my parts to build this over the weekend
DeleteCan't wait till I get some time to build it
I think I'll do the OD820 soon as well based on your suggestion, Mark
Ok, working great :)
DeleteYay :o)
DeleteAlltrax74, what was the problem? I have a similar issue with no obvious solution. Thank you.
DeleteI'm having the exact same gain problem with my build (by-pass version). Tone and volume seems to be functioning as they should. Anyone find a solution? Thanks.
DeleteHi.
ReplyDeleteIn your opinion, what diodes are best for 6-9, for the most gain out of the build?
jeff
Personally I'd use 2 x 1N4001's or maybe 4148's and 2 red LEDs. Instead of soldering the switch up straight away why don't you take the Soft Sw2 and Soft Sw5 wires to a breadboard first, then you can try lots of different ones before committing to soldering.
DeleteThanks.
DeleteI have built a lot of your effects, some even work the first time, but have yet to get a breadboard. Can you guide me to a good source and maybe a short supply list. I might as well take the next step. Many great thanks for the work (it HAS to be fun) that you put in on this sight.
jeff
Yeah, fired up and working on the first try, that's a good feeling. A dense layout to be sure. Off to the laser printer to get some labels going for the box. . . looking forward to putting this in front of a good amp soon! Thanks lvlark!
ReplyDeleteNice one Andy
DeleteHey, Im building the 1st image above, with no bass or switch. Wondering if I can use 1uf Electos? If so, which side would the negative go for the 6 elec capacitors? Many Thanks!
ReplyDeletehttp://i60.tinypic.com/nb99ms.png
DeleteCheers! Thats Fab! now to get that one 100u 25v cap :-( the one thing i didn't have... no chance of using a 16v here is there?
DeleteYou can't use a 16V cap, but you can omit it completely. It's just a supply filter for the 18V portion of the circuit and so will work perfectly well without it
DeleteRight, I have some sounds, but low IC voltage across the board compared to alltracks74's above. cant find the dang culprit.
Deletealso, I have used these as diodes:
IC 1 and 2: 1N34a
3: 1N4742
4 and 5: 1N4007 ..
are these ok?
also the gain pot only has any serious volume at a TINY turn around 3/4 round...? any ideas?
also as I have omit the 100u 25v, does anything have to be in its place?
DeleteHere are the ICs v's
THIS IS with all pots turned all the way up.
IC1
1. 4.27
2. 4.27
3. 1.22
4. 0
5. 0.60
6. 4.34
7. 8.59
8. 9.29
IC2:
1. 4.28
2. 4.27
3. 4.24
4. 8.92
5. 4.24
6. 4.27
7. 4.26
8. 12.40
IC3:
1. 9.29
2. 4.53
3. 0
4. 4.55
5. 8.92
6. 4.60
7. 3.91
8. 9.29
I have a nice clean tone when gain is at 0, and as I turn it up, volume starts disapearing. I also get a scratching noise when turning - kinda thinking I have a bad pot? Is there anything else I can test it with if this is the problem?
Anyone have any ideas? really want to get this solved tonight :-(
DeleteYou're only getting 12V on pin 8 of IC2, that should be closer to 18V. You're getting 8.92 on pin 4 of IC2 when you should be getting around -9V. So something is either wrong with your connections around IC3 which is providing these voltages, or IC3 is faulty.
Deletesorry: IC2 pin 4: - 8.9
ReplyDeleteIC3 pin 4: - 4.55
IC3 pin 5: - 8.91
had a seriously close look, cant see anything :-s what do these figures say to you?
OK -8.9V is fine, so it's IC2 pin 8 that is the problem. The 18V doesn't come directly from IC3, 18V is only at the cathode side of D5 which is connected to pin 8 of IC2. If you're not getting 18V there then something must be wrong with the charge pump, diodes D4 or D5, or possibly the 1u cap from IC3 pin 2 to the D4/D5 junction. I would look at replacing them in turn to see what is the culprit
Deletethank you for the help,
DeleteI replaced the diodes (4007s), the 1u cap (polarized - negative at top), and IC2 TL072. still getting the same voltages :-( i really don't want to give up on this one! any more ideas? hopefully this will all help someone else out too!
Not sure if I'm right, but shouldn't the polarity of the cap (bottom right corner) which I assume is the one Mark mentioned - negative should be at the bottom?
DeleteIf you mean the 1u then yes if you use a cap with polarity then negative would be down
Deleteoh sorry, i thought you meant the 1u cap closest to IC3 (looking at the image - the first 1u to the right of IC3). thats the one I replaced. Heating up iron now to replace the other one (bottom right). here's hoping...
Deleteahh replaced it and no change.. :-(
ReplyDeleteWhat are your voltages now for IC2?
Deletenow they are:
ReplyDelete4.28 12.38
4.28 4.28
4.21 4.27
-8.93 4.23
looks pretty much the same as before :-s
are you sure that completely removing the 100u 25v cap has no effect?
Yes so that hasn't done the trick so I still think IC3 is the problem as you've swapped the other components. The 100u cap is just a filter cap to help prevent noise and it will work perfectly well without it.
DeleteThis comment has been removed by the author.
ReplyDeleteso bought a max1044cpa, changed it and nothing has changed :-s
ReplyDeletedriving me nuts this one! I have a 100KA for the pot atm, thats the only thing on this that is different really that the layout.. been over the components and traces, nothing different.. very odd!
What is going on with the 1uF caps shown in your newest layouts? The old original layout shows electrolytics, then the first layout with bass control shows what looks like ceramics, and now the revision 2 bass control layout shows film caps.
ReplyDeletePersonal preference, I'd much prefer to use a film cap than an electrolytic. Or even a multilayer ceramic which can be bought very cheaply and in quantity. But use whatever you like, it's nothing more than a graphical representation of the type of cap I would personally use, but there is nothing to stop everyone making their own selections.
DeleteI see. I assumed since you put polarized caps in the original, they needed to stay polarized. If I wanted to go with electrolytic caps on the Bass revision 2 layout, which side is negative?
DeleteIf you have a look at one of the recent comments above someone else asked and I posted a pic
DeleteI'm having volume trouble with my build. IC voltages are all good. Been going through the layout with an audio probe. With the pedal in buffered bypass, at various points of the layout I can find full volume and low volume. On IC1, pins 3 and 4 are full volume, while pins 5 and 6 are low. Pin 7 is full volume, with full gain. Lugs on the volume pot are all low. All connections at the footswitch are low volume.
DeleteJust found that I installed 560K resistors instead of 560R. (Smacks forehead)
DeleteWill 470R work? thats all I have, or I could do a a 470 and a 100 in series if 560 is a must.
Yes 470R should be ok
DeleteCool. Thank you, sir!
ReplyDeleteLove all your layouts, btw.
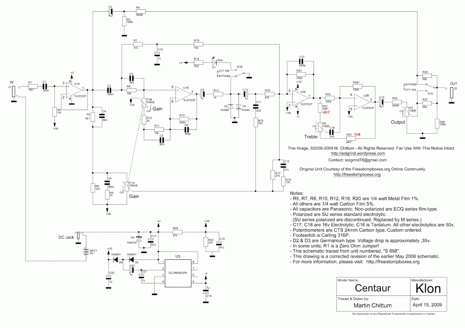
Just a note to everyone who has built a Klon, or is going to. Keith at BYOC had a look at one and noticed that the 1K8 and 4K7 around the Treble pot were reversed, and when he corrected it on his build it then reacted exactly like the tone control on an original Klon. so all the Klon layouts on this site have been updated and the fixed schematic has been added to this thread. Fortunately it should be a quick update for anyone wanting to make the correction on an existing build.
ReplyDeleteThe bass control is VERY subtle. Is there a way to make it more pronounced, like the treble control? I've been trying a variety of caps in place of the 82n, but have yet to find one that makes a great difference.
ReplyDeleteSeems like more bass needs to be removed from the tone control, so that it acts only as a treble knob, allowing the bass control to function the way I am thinking. Maybe C15 needs to change?
DeleteI'm not even sure a bass pot will be needed when the treble pot connection is corrected as per the above post. The way it was meant that the upper end of the treble pot gave more high end than the original would, and the lower end would be less of a cut.
DeleteI will make that change in my klone, but for this build, I am actually trying to achieve more of an equalizer effect, where there is no bass going through the treble control, and no treble in the bass control. This layout just blends more bass in parallel with the existing tone control. This may not even be possible without creating a completely new, unique circuit.
DeleteBuilt this one today. It took a LONG time. Another great layout Mark... this one must have taken a lot of work on your end.
ReplyDeleteMine is working, and it sounds pretty good. I have one question though, since I've never played a Klon before. I've noticed that there's almost two tones coming through, one that sounds like I expect an OD pedal to sound, and one that's more like a ghosted synth note, and it seems to audibly decay before the actual audio stops.
So if I hit a single string, for example, I hear a harmonic duo almost, then the high one sort of fizzles out, and then the "normal" guitar tone fades out. Does that make any sense? I'm just wondering if that's normal. Maybe that's what the Klon does?
I'll try some other IC's in the meantime just to be sure. If you want to hear what I mean:
http://www.jaredmcohen.com/storage/klon.m4a
THIS isn't the famous "whine," is it? For what it's worth, I used a 7660SCPA for the charge pump.
DeleteReplaced the TL072's and this issue went away. Maybe just a bad batch of chips?
DeleteThe only remaining issue I have is that the gain is very low. I basically have clean/slightly boosted tone until about 2 o'clock. And from there it gets up to what I would call "mid gain." Again, I've never played a Klon but I'd imagine it's supposed to be higher gain than this.
Checked IC's. I just can't figure out where all the gain has gone. Does the fact that my ground pins are getting some minor current mean there's a ground bridge somewhere? I've looked all over for bridges and razored everything, but I'll check again.
DeleteIC1
1. 4.54
2. 4.54
3. 3.62
4. 0.8
5. 4.53
6. 4.54
7. 4.55
8. 9.07
IC2
1. 4.54
2. 4.54
3. 4.54
4. -8.57
5. 4.54
6. 4.54
7. 4.54
8. 16.53
IC3
1. 9.07
2. 4.56
3. 0.7
4. 4.25
5. -8.55
6. 4.12
7. 6.70
8. 9.08
Well it means there is a difference in potential between ground on the board, and whatever ground point you measured it against. Maybe a bad ground connection somewhere?
DeleteThanks Mark. Upon further inspection, IC1 pin 4 and IC3 pin 3 were actually reading in milliVolts, so I'm not as concerned about a reading below 1 mV, thought I will troubleshoot it. After realizing how this new DMM displays milli-, I noticed the voltage on both sides of D1 and D2 (OA91's) is around 1-2 mV.
DeleteComing out of IC 1 pin 7, 4.55 V goes to the 1u cap at the top right, but only ~1 mV comes out to the 1k resistor. I don't know if that's normal, but it seems odd to me, unless the voltage isn't supposed to be going to the diodes.
Remember you're measuring DC voltages and caps block DC
DeleteThanks again Mark. I went a little mad today and just started audioprobe-ing everything. I think I've nailed down a trouble-area, although I can't put the pieces together. I have no Audio at IC2 pin 2, which seems like it should, since it's just the 820p and 392k separating pin 2 from pin 1, which DOES have audio. The whole row connected to pin 2 has no audio. If I look at signal coming out of IC1, I have just about unity guitar signal into the 100n at the top left, and then a very, very soft tone out of that 100n. I replaced the 100n and razored the hell out of every row on the board.
DeleteLike I said, I think I have the puzzle pieces, but I'm just not smart enough to put it together. If nothing I wrote makes sense, here's where I have guitar signal, no signal, and a soft/faint signal:
http://jaredmcohen.com/storage/klonaudioprobe.png -- (blue tracks are just to help me see where things are connected).
Thank you again, I know you're all busy men. But I'm losing my mind here!
I've built a few different Klon layouts. On my most recent build, the pots still effect the signal when bypassed and my bypass signal is much darker than the original. Is this caused by a bad footswitch? I've had this issue with the Sabro layout but the older larger Klon layout from this website never had this problem. Has anyone else had trouble with this issue?
ReplyDeleteSo I finished this, looks great and sounded great. I was playing on it today for about 15 mins and it started to get quiet, more and more distorted, and fizzle out. So I started replacing ICs. And each time I replaced any of them, it would sound normal for about 5-10 secs and fizzle out again. There was also some oscillation.
ReplyDeleteAny thoughts? maybe a bad cap?
I'd say a bad joint somewhere making the connection intermittent. I'd check over all your soldering including pots and reflow any that look suspect
DeleteDidn't find any bad joints. I was wrong earlier, it's not cutting out completely. It still allows sound through, just really low volume and distorted. I also discovered that it's not the IC switching that's starting it over each time. It does it when I disconnect and reconnect the power.
DeleteDid you ever figure this out Tito? I am having the same issue.
DeleteI only have polarized 1uf capacitors. Can someone tell me which way every single one of them should be oriented?
ReplyDeleteWow, thanks so much!
DeleteHi Mark, in the new board you sent me there, one of the 1uf capacitor's has been replaced with a 100uf (to the right of IC2). Which value do you recommend I use?
DeleteYes I did the layout showing the polarity direction a while ago based on my original V2 layout. I thought that there would be an advantage to having a larger cap at pin 8 of IC2 where the 18V connects but after other Klons were degooped and they all had 1u cap there, I decided to keep it as per the original. I assume after selling it for 15 years Bill would have increased that cap value if it was required
DeleteSounds good, I'll socket and try various values. Thanks!
DeleteHi everyone ! Hope this isn't too late.
ReplyDeleteI've just finished this Klon Clone , and this isn't working..
Well, I have the clean buffered signal, but when I activate the effect I have no sound at all, except a constant buzz in bass frequency...
Does anyone had the same problem ?
I will post the ICs values soon. (sorry for my English, I'm a french guy..)
Thanks !
is there a true bypass version of this layout?
ReplyDeletehttp://tagboardeffects.blogspot.com/2012/02/klon-centaur.html?m=0
ReplyDeleteI just got myself the kit from Bitsbox, this is obviously for the original circuit layout with considerably more electrolytic capacitors. Is it possible to add the Bass pot to the older circuit layout and is there a schematic showing how it is connected?
ReplyDeleteHas anyone verified that this works well yet. From the above there seem to be quite a few problems from folks. Does anyone have a verified build out of this?
ReplyDeleteThanks in advance! Really excited to play with this circuit!
Guy
:-)
I'd also like to know how things work with the true by pass circuit as it does not show any of the connections to the foot switch!
ReplyDeletePersonally I wouldn't use the true bypass version unless I had a good reason for wanting to remove the buffer. That's one of the features of the pedal and something that people often like about it.
DeleteYou don't see any connections in the true bypass version because it uses the standard switching layout found on the Offboard page in the menu just like the majority of the other layouts on the site. So no special wiring is required like with the stock version with buffered bypass.
Because you're talking about the first layout, will you ask questions about that one on that page. Otherwise it'll start getting confusing as to which layout we're supporting for other members. Posting here doesn't make it more likely to get a response, I'll see it there just as easily as I did yesterday when I answered your post on there.
This is a relatively complex build with lots of links and cuts so it's not surprising that a lot of people have had issues with their builds.
ReplyDeleteI have built the silver Klon layout (which is the same layout with slight component changes) and it works perfectly, sounds the same as my friend's original silver Klon, and has no issues whatsoever
I've been using it with my band for months and it's definitely verified and a favorite pedal of mine. The layout is good
Really a 422K resistor? I can't find one of them anywhere. What did everyone else use.
ReplyDeleteGuy
:-)
Ugh had to order 100 of them on Ebay. Couldn't find them anywhere else....
DeleteI am going to put a 430K in till they arrive. I have a feeling I am never going to be able to tell the difference....
i bet you'll never hear any noticeable difference by using anything from 410,420,422,430...or you can add resistors in parallel or in series if you believe that you need exactly 422k.
Deletebut really man...don't bother with such small amounts of different values. even if you measure 422k on the resistor, nothing tells you that all the other resistors and pots(15k below and 50k bass pot for example) will always be exactly what is written on them.
If it's any consolation I always buy odd values in 100s too, and it's nice that eventually you have so many values you can literally build anything without ever having to place a new order. They're cheap so go nuts :o)
DeleteIs a 470k resistor to over kill as a replacement? i cannot get my hands on a 422k resistor for love nor money.. i have the soldering iron on and im ready to do it jsut not sure its the right one, should i try get closer or an actual 422k? The bloke in maplins said to me 470 will be fine.... personally i dont trust anything they say in there lol
DeleteA 750k and 1M in parallel will give you 428.5k or 2 x 820k in parallel will give you 410k.
DeleteYou could probably have got one from Bitsbox as they supply the kit with it included, so they must have some even though they do not have them in there list of resistors, but too late to tell you that now you have have bought 100 of them.
ReplyDeletehttp://www.bitsbox.co.uk/index.php?main_page=product_info&cPath=280_281&products_id=2038
where are all these 1uf film caps coming from??? madbean's sunking schematic only shows 2 1uf film caps and 1* 1uf tantalum!
ReplyDeletejust saw the schematic... the only 1uf's that need to be film are in the signal path. madbean's sunking has the 1uf's as 10uf's in the charge pump area of the circuit. wouldnt using 1uf film caps be a waste of space and money? even if they are 1uf and not 10uf?
DeleteIt's a matter of choice. Some electrolytics have a manufacturers life expectancy of 2000 hours or less, and for the cost I would always use poly or even multilayer ceramics for longevity alone.
Deletedang 2000 hours or less!! had no idea! I built this up and i decided to try seperate pots for gain and clean instead of the dual gang... however the clean pot doesnt really do much... i also kinda feel like it may be wired backwards? I just wired 1 and 2 like they were seperate pots. but the clean one just feels like it alters treble content to me...
DeleteAny way to combine the two so you could get bass pot and the soft clip switch. That'd basically be the Jhs mod huh?
ReplyDeleteI'm having a bit of a problem finding a 27nF and a 390nF cap locally, will using 22nF and 330nF have a negative effect on the sound?
ReplyDeleteThat's subjective. You may like the change, you may dislike it, or you may not even notice it.
ReplyDeleteI'd just use what you have for now and order the correct values
Do you think I could use a 1N270 in lieu of the 1N277 that you recommended? I know very little about diodes. Also, do you know if there is a IC3 alternative that is available on Tayda? Or does anyone know of a different online store where I could buy everything for this build?
ReplyDeleteYou can get the 7660s from ebay cheaply - just make sure they have the "S" after the 7660 and check that you get the DIP8 version and not the SMD - the smd version is very small for computer building of circuits, the DIP8 version is the through hole type we use with vero.
DeleteYou can use 1N270, or any other type - try putting sockets in for the diodes, then you can try different ones until you find the one you like or until you get the 1N277. THe sockets are the 'header strips' you can get from TAYDA (part number A-1605) or from other suppliers / ebay
This is a little late, but thanks for your help dbat69!
DeleteThis comment has been removed by the author.
ReplyDeleteThis comment has been removed by the author.
DeleteSo I finished this build and triple checked everything but am not getting any guitar sound when it is turned on. Problem appears to be with or around IC3 because it seems to be heating up. I am using a TC1044SCPA. It was making a lot of weird spacy sounds but now it's not. Guitar comes through when it is off with a little whiny sound in the background. Any ideas? I am thinking of starting by replacing IC3
ReplyDeleteOk so I've razor bladed all lines, double checked layout and wiring and still no luck. Here are my voltages which I don't understand at all. I'm hoping someone here can help me out because it don't know what else to do.
ReplyDeleteIC1
5.8
5.8
5.4
2.6
5.8
5.6
7.5
9
IC2
6
5.9
5.8
-0.9
5.8
5.7
4.7
10.3
IC3
9
3
0
-1
-0.8
4.5
6.5
9
IC3 seams to be getting hot, I tested caps next to it and they seam fine. Please help
What voltage do you get on the negative side of D5? Should be about -18V. Did you put the IC3 in correctly (pin no.1 is on the BOTTOM RIGHT side)?
Deletesorry, should be about 18V not -18V
DeleteI am only getting 10.8 volts on the negative side of D5. Yes, I do have the IC3 flipped with pin 1 on the bottom right. Thanks for the help Eugeene!
DeleteThis comment has been removed by the author.
DeleteAnyone have any idea what the problem might be? I am not getting any guitar sound when on, just some oscillating frequency sounds. Seems to work in bypass, with some whine. I am getting desperate. I think I am going to try replacing all of the ICs and if that doesn't work I guess the caps too, although I have tested most and they all seem fine.
DeleteYour voltages seem to be quite far away from where you want them and it looks like IC3 isn't doing a very good job of voltage doubling and inverting, and the pins of IC1 which should be grounded have a voltage on them. These are the voltages that you should be looking for:
DeleteIC1
1 +4.43V
2 +4.44V
3 +3.45V
4 0V
5 +4.43V
6 +4.43V
7 +4.41V
8 +8.87V
IC2
1 +4.6V
2 +4.43V
3 +4.43V
4 -8.44V
5 +4.42V
6 +4.43V
7 +4.26V
8 +15.92V
IC3
1 +8.84V
2 +4.52V
3 0V
4 -4.13V
5 -8.42V
6 +3.97V
7 +5.29V
8 +8.82V
So you're really going to have go through them and look for errors on the pins with the dodgy reading. I'd start with all ground connections and make sure they are all interconnected, and then move on to IC3. Fixing those issues may make IC1 and IC2 fall into place.
Thanks so much Mark! I'll see what I can find.
DeleteSo turns out my link that was supposed to go to ground went one to far, and I couldn't tell before because it was covered by capacitors. I fixed it and turned it on and it worked perfect!... for like 15 minutes. Now it does the same thing that Tito explained in the comments above. I am going to check for loose connection later today I might also replace the IC3 and the 1u cap next to it. They both seem to be getting really hot. Either way, I am making progress! Thanks for your help.
DeleteOk, I'm almost there I think. All of my voltages are all the same as what you posted except IC2 pins 1 and 7. Neither of the 2 show consistent amounts, they seem to increase more and more. Pin 1 was showing 15v and 7 was showing -6v. I have no idea what would be causing this but I am sooooo close!!!!! Someone please help. it sounds great for a few minutes when I turn it on and then it fades out and distorts.
DeleteGood day guys. First and foremost thanks for such a really good site IvIark. Most take up so much of your time, I and I'm sure many others are so grateful for that. Would just like to confirm that yes indeed one can use the ICL7660CPA note without the'S', as mentioned earlier. Made one of these with the 'S', so thought I'd try one without. All I did was bent up pin 1, before inserting it, then connected it to ground via a socket and normal hook up wire. But one could easily 'mod' the board at the initial cut and link stage if required. Many thanks to all whom post here!
ReplyDeleteOk, I'm almost there I think. All of my voltages are all the same as what Mark posted except IC2 pins 1 and 7. Neither of the 2 show consistent amounts, they seem to increase more and more. Pin 1 was showing 15v and 7 was showing -6v. I have no idea what would be causing this but I am sooooo close!!!!! Someone please help. it sounds great for a few minutes when I turn it on and then it fades out and distorts. I have removed and checked several capacitors and diodes, checked layout and connections, and tested for micro bridges with no luck.
ReplyDeleteHi,
ReplyDeleteI made mine with bass pot and it sounds amazing ! Thanks for that ^^
Anyway i notice that the more gain I give with the gain pot the more noise the effect generates. Not just a usual high gain effect buzz, but an oscillating ticking noise along with lots of noise. At mid gain and high volume its OK tho, and with any gain and volume if I play you cannot hear that ticking and noise. Without playing it's a bit irritating.
Any idea where it could come from ?
Built this, works like a charm.
ReplyDeleteI need an answer: when my Gain knob is set "lower" or "higher", the sound is cool, but when i set the Gain to something around 1/2, the sound (for me) sounds a bit muddy - there is slight treble loss compared to a "straight" (buffered) bypass. Kinda helped to change the 820pF cap to 470pF but I just wanted to post this thing here :)
Does anyone feel the same or did I screw something up?
Has anyone used separate clean and gain pots? Sounds interesting but is it worth it?
ReplyDeleteI haven't, but over on le revolution duex he talks about doing it and mentions the it opens up a lot of tonal variation. I think it would be a nice change. But that could just be me.
DeleteWanna build this thing, with the soft clipping etc. Would it be possible to wire it true bypass?
ReplyDeletei'm not completely sure what you want to do, but. if you want soft clipping you have to change the clipping diodes from being in the circuit to ground, to running parallel with the circuit. ie: you'll have to take the ge diodes and have them connected on on side of the 1k resistor (where it's connected now), and on the other side connected to the 1uF cap instead of ground. if you look at the 2nd layout posted at the top of the page ti shows you how to wire a switch for soft clipping, and it gives you options.
Deleteas for making the klon true bypass there is a klon true bypass layout
http://tagboardeffects.blogspot.com/2012/03/klon-centaur-simplified-true-bypass.html
My Klon is up and running and sounds great, but it seems to be a bit muddier than demos I've heard. It's dead quiet and the volume and gain sound perfect, but I only get a slight treble boost when the treble knob is fully clockwise. About 3/4 through the turn, the treble is more or less unity with the clean signal. Anything less than that adds some mud. Which components should I be taking a closer look at? I verified the 1.8K and 4.7k resistors are the correct values and in the correct spot. What else affects the treble?
ReplyDeleteSame "issue" here, dude. I don't know if there is something wrong or is suppose to be. But in comparison /w youtube vids, my Klon clone is definately darker/muddier.
DeleteAlso - I tried to swap the 1.8k and 4.7k resistors - there was a difference, but not big. I tried to swap the 820p cap (bottom left) to 470p and 6.8n (treble 2 pin) to 10n (not sure, thgough now) and the treble went back again - I recommend playing with those two values.
DeleteMy klon is also alot more muddy as a drive, but as a boost it sings. the silver I built is a lot more bright and actually kicked the ktr off my board as it's a dead ringer for it. You might want to look at the layout for the silver as it's just a couple caps and resistors different.
DeleteAwesome, thanks for the suggestions. I've been using it as a boost, and even then I've kept the treble knob turned up all the way. I want to relocate it to the front of the board and use it as an "always on" drive, but the mud is killing me. I'll play around with some components and see what happens.
DeleteJust to make it clear, by "...6.8n (treble 2 pin) to 10n" I meant "3.9n (treble 2 pin) to 6.8n or 10n (can't remember exactly now)"
Delete470p in place of the 820p helped quite a bit. Still a hair darker than the demo videos, but probably good enough for my needs. I'll put it through the paces with my normal guitar/amp setup and see what happens.
DeleteAndrew: also, check this PDF for recommended modifications (Modifications & Experimentation section + Silver Pony specs section)
ReplyDeletehttps://aionelectronics.com/wp-content/uploads/2013/09/aion-refractor-centaur-documentation.pdf
thanks! great info. I settled on 560pf instead of 820 and 4.7nf instead of 3.9. Subtle value changes but the difference is huge, especially with the volume up. With gain down and volume up, it sounds stunning. The whole frequency spectrum is boosted in a really pleasing way, with just a touch of hair and really nice dynamics. I'm satisfied! Thanks again.
DeleteHi, I've got different values on PIN #6 and 7 of IC3. I'm wondering whether this actually affects the required outcome. This pedal hisses a bit more than the others I've got. Otherwise I couldn't find any mistake on the vero that I checked out twice. Can someone tell me? Wall is 9.05 volts:
ReplyDeleteIC1
PIN1 4.52
PIN2 4.52
PIN3 3.45
PIN4 0.00
PIN5 4.51
PIN6 4.53
PIN7 4.53
PIN8 9.04
IC2
PIN1 4.52
PIN2 4.52
PIN3 4.51
PIN4 -8.67
PIN5 4.51
PIN6 4.52
PIN7 4.52
PIN8 16.33
IC3
PIN1 9.04
PIN2 4.49
PIN3 0.00
PIN4 -4.31
PIN5 -8.67
PIN6 4.72
PIN7 7.01
PIN8 9.04
Thanks in advance for your help!
so I built a kit of this from bitsbox. Everything is the same except that the 100u cap at the bottom right is a 47u for me.
ReplyDeleteIt would seem that all of my problems are with the volume pot, or something. If you turn the volume all the way down, the pedal sounds good, but quiet, gain knob seems to work. However if you turn the volume up at all, then the pedal just sounds like a fuzz. (super distorted with quick decay of notes)
any thoughts on where to start? I already swapped out the volume pot and that is not the issue.
Just kidding. Apparently I had the connections for volume 3, treble 2, treble 1, and volume 1 all one row to close to ground. (of course I checked the polarity of all the caps, and the ic's, and everything else you could think of before catching the obvious)
DeleteSounds sweet, time to rock and roll.
Does anyone have pictures of this fitting into a 1590b enclosure? It seems impossible.
ReplyDeleteHere's mine in a 1590B: http://postimg.org/image/gdtmchz6l/
DeleteJust a few pointers here...
Make sure your caps and "tall" components have long leads so you can bend them across the rest of the board. The board will fit perfectly if the footswitch, and in/out jacks are as far down as you can make them. Also, I was forced to move the DC Jack to the bottom corner. This was the trickiest part...the hex washer is flush against the rounded corner piece. So to fasten the jack, instead of turning the hex washer, I had to spin the jack itself, and solder afterwards (or before, whichever you find easier).
But it will fit. I was lucky enough to get it to fit in the first enclosure, but I was anticipating to have to buy a couple more in case.
And yes, unfortunately, the crammed board with bent caps does look a bit ugly, but it saves space on my pedalboard :)
I will try not to delete this one for being a stupid dummy.
ReplyDeleteThe gain turned all the way down I get no output. It's working like a volume pot. There is a reduction of volume when the pedal is turned on. The buffered bypass seems to be working properly.
I'm going to rewired the pots and see if that resolves the issue. All of the pin voltages appear ok. I'll record them down later.
Any other ideas?
I had something c*cked up in the offboard wiring. Everything is bundled and happy now. This thing sings!
DeleteI have a similar problem... A friend of mine just finished this build for me, and the pedal works, but there is a big volume drop when the pedal is on. And it sounds so ricey and fizzy. What could be wrong?
DeleteThe only way to diagnose the problem is to get all the IC voltages. This is the least we need to try to diagnose a fault.
DeleteThanks for the reply, I solved it. After I've compared the layout to the board, I found out that one capacitor was missing. Soldered in it, and now it works like a dream!
DeleteThis comment has been removed by the author.
ReplyDeleteThis comment has been removed by the author.
ReplyDeleteI just built this and can confirm that the 4.7k (R23) and 1.8k (R21) resistors indeed are swapped in this layout. That is why it sounds so muddy. Once swapped back it sounds identical to my Aion Refractor Klone.
ReplyDeleteR23 is a little difficult to locate: It's the 4.7k resistor to the left of the 12k resistor down on the left side of the board (to the right of the 27k one).
Hey, just a bit of confusion here...
DeleteI looked at the schematic attached to this thread, and it appears the original schematic had the layout you changed to (Treble 1 -> 4.7k, Treble 3 -> 1.8k). But the schematic has these values crossed out in red and swapped. I also saw on the Silver Centaur thread on this site that these were errors...but can't confirm which is "right" or "wrong".
Any help clearing this up? How did you confirm these were swapped?
Thanks!
Also, if you like the sound of the Klon, but want more low end, replacing C3 (100nf at top left corner) with a 220nf gave much better results than the fatswitch mod.
ReplyDeleteThis comment has been removed by the author.
ReplyDeletemine works! thanks!
ReplyDeleteI've had similar problems to the ones mentioned above, seemed to work ok volume and treble wise but the gain play up, had no real grunt and seemed to work backwards, I spent ages replacing IC's and fretting. basically I had gain 1-3 a row too low. moved it up and works a treat
ReplyDeleteHey guys,
ReplyDeleteI sucessfully managed to build my own Klon, with only one weird thing:
I decided to use a dual pot with 2 knobs, similar to those used by Boss sometimes, to be able to control both gain1 and gain2. When I set both to maximum, I get a muffled, lower gain sound. when I set the middle (gain1) to max and the outer (gain2) to around 12 o'clock, I get more gain, but still not as much as I had expected.
All my measurements are correct, I suspect it might be something with the wiring..?
Any ideas? :)
Edit: I have tried out a KTR before, so that is my comparison measure for the amount of gain. I have installed the bass mod, more accidentally, and simply soldered 2 and 3 together and taped them off. But that should not be the reason.. should it?
DeleteI gave up on this a while ago, but finally looking at it again. It seems to work fine for a minute but then the volume drops and kind of fizzles out. Here are a couple photos. It is a little messy since I have tried so many things to get it to work. Let me know if you see anything obvious.
ReplyDeletehttp://i833.photobucket.com/albums/zz254/abehud/IMG_9276_zpsebw1wfz8.jpg
http://i833.photobucket.com/albums/zz254/abehud/IMG_9278_zpsgbrcjg9r.jpg
Can someone please verify the switching here for me (first layout, not the modified)...I have mine wired up with a DPDT toggle switch for the Sw connections and a true bypass 3PDT. Basically this makes it so I can have it in true bypass or just the buffer...which is fine, but...how is this actually supposed to be wired up? Where does the input wire go if you were just using a DPDT stompswitch only?
ReplyDeleteJust finished building and am getting a weird problem with the gain. Sounds fine unless it's turned up past 3/4. Then it sounds farty and the volume dips.
ReplyDeleteLittle help here
ReplyDeleteI have a few OA90, 1N34A and 1N270. Is any of these close to the orginal? (I mean, I know that they'll work, but you know...).
Does the 1044 need to have an "s" like the 7660?
Anyone know what would cause pin 1 on ic2 to shoot up to around 16v?
ReplyDeleteThis comment has been removed by the author.
ReplyDeleteWorks great,although the "bass" pot is a little too subtle.
ReplyDelete(I've built the first version in th past with the tone section wired differently,but that was good also.)
Here is the new build:
https://m.facebook.com/story.php?story_fbid=909249979217819&id=462370537239101
Thanks guys!!
Hi, need help, built this layout. Having problem with hot output conected to ground as of volume 2 runs to output and volume 1 to ground.
ReplyDeleteThanks
Still working on this And got Voltage problem on ic2
ReplyDelete1 13,2
2 2,8
3 3,17
4 -5,4
5 3,12
6 4,57
7 -3,9
8 14
Any suggestion please
Thanks
This comment has been removed by the author.
DeleteI've change IC, from jrc, LM, BB but same measure.And than I pull out the IC2 and measure voltage on each pin socket without IC read :
ReplyDelete2,5
2,5
2,5
-6
2,5
2,5
2,5
16
Looking for some help. I've tried nearly every trick on my second build of this (first works perfectly). Voltages are super close to IvLark's posted above. Biggest difference is my IC2 6 and 7 are at 7v-ish and Pin 8 is just shy of 18v. I get a signal only when my gain pot is full and it's fuzzed out. I've traced lines, checked solder joints, swapped out resistors and pots just in case. Any thoughts?
ReplyDeleteThis comment has been removed by the author.
ReplyDelete